设为首页 | 加入收藏 | 联系我们
 
 
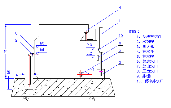
产品展示
  当前位置:首页 > 产品展示
CJ型高效全自动净水器


CJ型高效全自动净水器
(一)、产品特点
1、净水器能全自动完成本身的配水、反应、絮凝、沉淀、集泥、过滤、反冲、排泥等一系列运行程序,只要定时作水质监视测定,无需作其它任何操作管理;
2、内设重叠式反应沉淀,所以能抗高浊度冲击负荷,能使进水浊度3000mg/l一次性降至3mg/l以下。由于采用部分污泥回流法,促使原水加速凝絮,吸附机率可提高数倍,所以能适应各种水温和浊度的原水,底温底浊时较为显著。由于利用了部分污泥回流,大大减少投药量,降低运行成本。
3、由于全部采用了物理原理,完全利用虹吸与反虹吸的原理,所有进出水、反冲洗进出等都不用阀门控制,所以不存在运行故障问题。设备的使用寿命较长。
4、净水系统自动化,既保证了净水系统的高效过滤,(在原水浊度小于3000mg/l时,滤后水浊度可保持在3mg/l以下)又能自动反冲,无需另设反冲洗水泵或空压机等电器设备,可节省大量基建投资及日常运行、维修、保养费用。
5、自耗水率低约在3%左右,对节省有限的水资源起着积极的作用。
6、占地面积小,与一般净水构筑物相比,可节省占地50%以上,高度在4.10m左右,室内外均可安置。
7、便于扩建、改造、搬迁或易地再用。
(二)、设计参数表
适用原水浊度
≤3000mg/l
适用原水温度
常温
净水出水浊度
≤3mg/l
沉淀区设计表面负荷
7-8m3/h·m2
过滤区设计滤速
8-10m/h
滤池冲洗强度
14-16 l/m2·s
冲洗强度
t=4-6min(可调)
总停留时间
T总=40-45min
进水压力
≥0.06Mpa
滤料
1、卵石垫层,粒径1.6-16mm、堆厚250-300mm
2、石英砂滤料,粒径0.6-1.2mm、堆厚600-700mm
(三)选用管道、电源、泵型等参数一览表
型   号
CJ-10
CJ-30
CJ-50
CJ-100
CJ-200
CJ-300
净水量(t/h)
10
30
50
100
200
300
进水管(mm)
DN80
DN100
DN100
DN150
DN200
DN250
出水管(mm)
DN100
DN150
DN150
DN200
DN300
DN350
排水管(mm)
DN300
DN450
DN450
DN600
DN600
DN700
排泥管(mm)
DN300
DN300
DN300
DN300
DN350
DN400
压力水管(mm)
DN40
DN40
DN40
DN50
DN50
DN50
一级泵选型
IS50-32-125A
IS80-65-125A
IS80-65-125A
IS150-125-160
IS150-125-200
IS200-150-200A
一级泵功率(kw)
1.10
4.00
4.00
7.50
11.00
15.00
设备自重(t)
7.5
12
22
42
73
108
运行重量(t)
24
49
83
165
315
468
注:
        1、上述各种管道进水口方向可任意改变180度方位,以适应总体布局的需要。
 2、参考的泵型选择及电机功率其适用条件为:水泵的较枯水们与净水装置的运行水位之差≯8米,自水源至净水装置的沿途及局部损失之和≯4米,若应用地点的水力条件与上述情况不符时,应按实际情况另行选泵。
(四)、CJ全自动净水器尺寸一览表
型  号
CJ-10
CJ-30
CJ-50
CJ-100
CJ-200
CJ-300
L
2100
3000
4000
6800
13600
20400
B
1700
3100
3850
4600
4600
4600
b1
500
500
500
500
500
500
b2
1750
1750
1750
1750
1750
1750
H
4350
4350
4350
4350
4350
4400
h1
250
250
250
250
250
250
h2
1250
1250
1250
1250
1250
1250
h3
2100
2100
2100
2100
2100
2100
h4
800
800
800
800
800
800
h5
1200
1200
1200
1200
1200
1200
h6
500
500
600
600
800
900
a
300
400
400
500
600
700
说明:
        1、本表格内所有参数单位为mm。
 2、本净水装置尺寸为常规设计尺寸,如需特殊尺寸时特殊设计。
(五)CJ全自动净水器外形结构图

(六)CJ全自动净水器平面图
  
网站地图  |  产品中心  |  联系我们  |  友情链接: 百度   Copyright(C)2023 无锡市华航环保设备有限公司  苏ICP备15031816号  

苏公网安备 32028202000741号